밀링 공구


밀링 작업에서 공구경로 계산은 프로파일링 부분의 형상과 이를 설명하는 파라미터가 서로 다른 다양한 공구 유형에 대해 수행됩니다. 지원되는 공구 유형과 기하학적 파라미터는 아래 표에 정리되어 있습니다:

원통형 밀링 공구:

길이, 직경;

볼엔드 밀링 공구:

길이, 직경;

토러스 밀링 공구:

길이, 직경, 라운딩 반경;

../images/download/attachments/146899685/a4clip0001.png

../images/download/attachments/146899685/a5clip0001.png

../images/download/attachments/146899685/a6clip0001.png

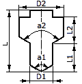
이중 코너 R 엔드밀 이중 반경 밀링 공구:

길이, 직경, 원통부 라운딩 반경, 선단부 라운딩 반경;

제한형 이중 반경 밀링 공구:

길이, 직경, 원통부 라운딩 반경, 선단부 라운딩 반경, 높이;

원추형 밀링 공구:

길이, 직경, 원통부 라운딩 반경, 선단부 라운딩 반경, 각도;

../images/download/attachments/146899685/a7clip0001.png

../images/download/attachments/146899685/a8clip0001.png

../images/download/attachments/146899685/a9clip0001.png

제한형 원추 밀링 공구:

길이, 직경, 원통부 라운딩 반경, 선단부 라운딩 반경, 각도, 높이;

조각 공구:

길이, 직경, 각도, 높이, 선단 직경;

드릴:

길이, 직경, 연삭 각도;

../images/download/attachments/146899685/a10clip0001.png

../images/download/attachments/146899685/a11clip0001.png

../images/download/attachments/146899685/a12clip0001.png

센터 드릴:

언더컷 밀링 공구:

2단 드릴:

../images/download/attachments/146899685/a12clip0001.png

../images/download/attachments/146899685/f_clip0442.png

../images/download/attachments/146899685/f_clip0443.png

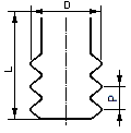
나사 밀링 공구:

성형 공구:

../images/download/attachments/146899685/f_clip0444.png

../images/download/attachments/146899685/f_clip0445.png


밀링 공구의 형상을 설명하는 파라미터 외에도 다음 항목을 추가로 정의할 수 있습니다:

  • 선형 치수 단위 (밀리미터 또는 인치);

  • 회전 방향 (시계 방향 또는 반시계 방향);

  • 날 수;

  • 재료;

  • 내구 수명 (시간 단위).

NC 프로그램은 공구의 끝점 또는 중심점 기준으로 계산할 수 있습니다. 끝점 프로그래밍 기준점은 공구 회전축 위에 있으며, Z 좌표가 공구의 최하단 절삭점과 동일한 점입니다. 중심점 프로그래밍 기준점은 공구 축 위에 있으며, Z 좌표가 공구 프로파일 부분의 상단 모서리(또는 원통부의 하단 모서리)와 동일한 점입니다.

밀링 공구 파라미터는 <공구 페이지>에서 정의할 수 있습니다.공구 page


참고 항목:

Definition 작업 parameters