펙 홈 가공/드릴 가공 사이클


홈 가공 사이클은 정의된 프로파일의 박스를 기준으로 ISO G74 또는 ISO G75 캔드 사이클 중 하나를 생성합니다. 사이클 파라미터는 속성 창에서 정의할 수 있습니다. 방향 속성으로 G74와 G75를 전환합니다.

images/download/attachments/142655675/image2024-7-15_16-10-0.png

사이클 G74/G75에 대한 Fanuc 오퍼레이터 매뉴얼의 발췌 내용은 아래와 같습니다.

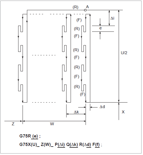
다음 프로그램은 아래 그림에 표시된 절삭 경로를 생성합니다. 아래와 같이 이 사이클에서 칩 브레이킹이 가능합니다. X(u)와 P를 생략하면 Z축 방향으로만 작동하며, 드릴 가공에 사용됩니다.

images/download/attachments/142655675/G74.png

images/download/attachments/142655675/G75.png


참고:

선반 가공

선반 cycles